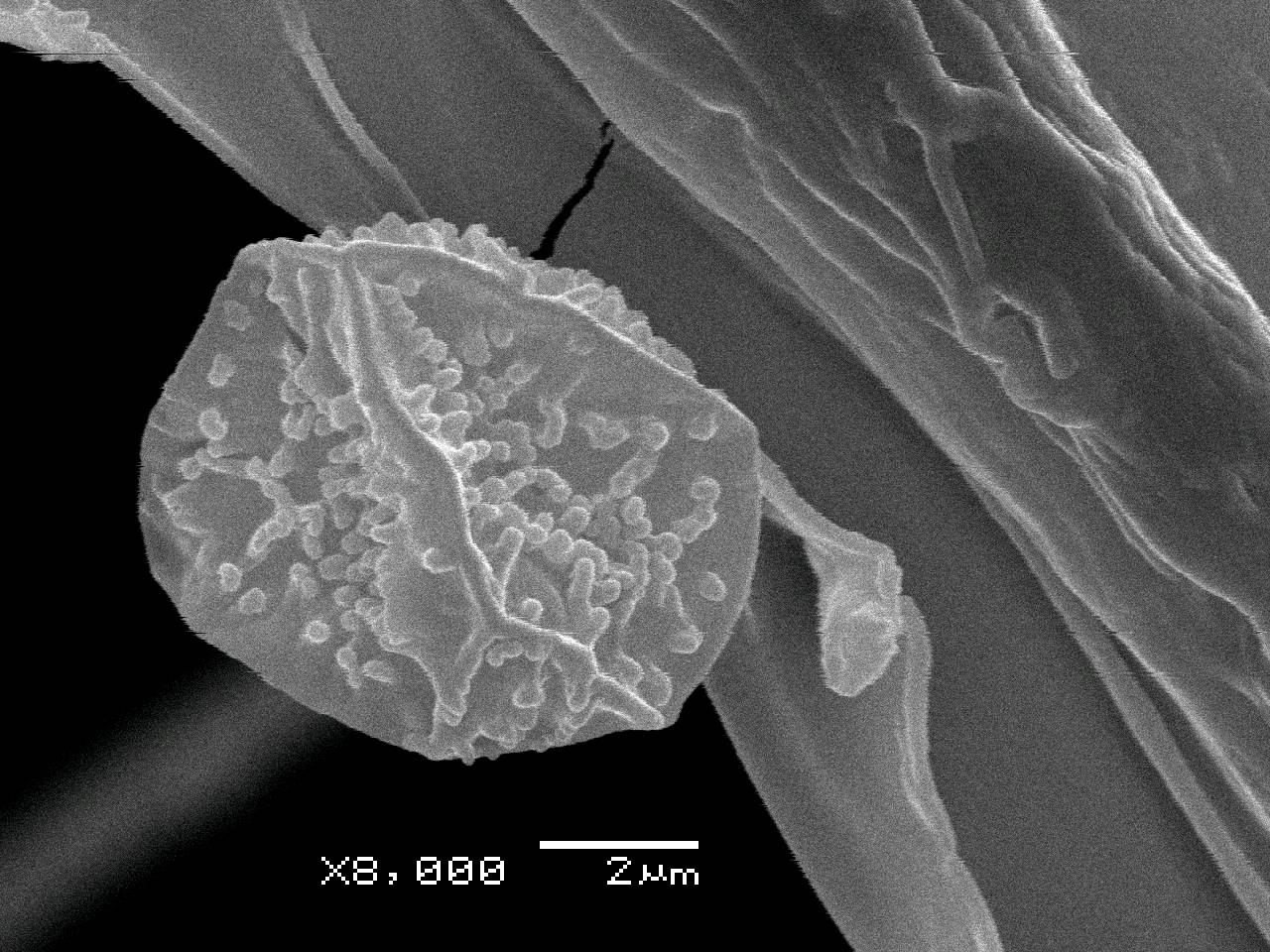
Полное изображение Cribraria rufa - Внешний вид сеточки перидия, отходящей от чашечки спорангия, Нелидовский, Тверская область (Россия) Полное изображение Cribraria rufa - Внешний вид сеточки перидия, отходящей от чашечки спорангия, Нелидовский, Тверская область (Россия) Полное изображение Cribraria rufa - Внешний вид сеточки перидия, отходящей от чашечки спорангия, Нелидовский, Тверская область (Россия) Полное изображение Cribraria rufa - Внешний вид сеточки перидия, отходящей от чашечки спорангия, Нелидовский, Тверская область (Россия) Полное изображение Cribraria rufa - Внешний вид сеточки перидия, отходящей от чашечки спорангия, Нелидовский, Тверская область (Россия)
Лицензия CC-BY 4.0 (см. рекомендованное цитирование в "Полной карточке", раздел "Цитировать для публикации")

Хочешь принять участие в создании "Атласа флоры России"? Загружай свои фотографии растений в природе и точку съемки на iNaturalist, где они станут частью нашего нового проекта "Флора России | Flora of Russia".
ID образца
0000001050869
Краткое описание
7638
Вид
Cribraria rufa
Место сбора
Нелидовский, Тверская область (Россия)
Топоним
пос. Заповедный
Полная карточка

Все образцы этого вида